Autonomous flight modes control diagrams

I’m just another student researching control systems for my master’s degree… But instead of just proposing to put another controller on Ardupilot, I want to understand the current solution well, since it’s loaded with practical considerations.

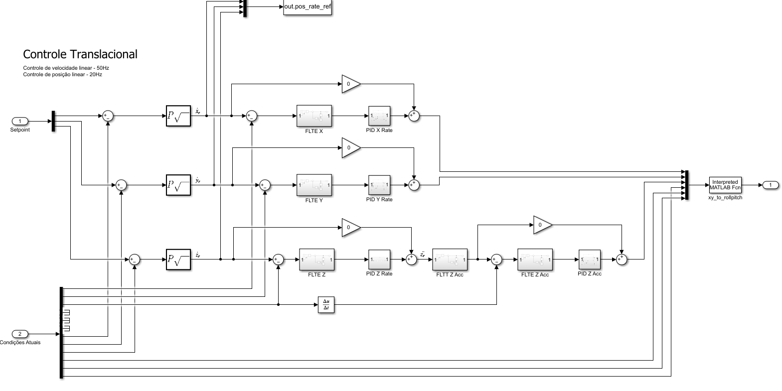
I’ve already come a considerable way modeling the quadcopter, the PID loops like those of Ardupilot and some features like the SQRT controller.

But it’s getting complicated to complete such work only with the website documentation and reverse engineering of the code. I feel it would be simpler if there were block diagrams of the complete control system, in the current version of Ardupilot. Is there such documentation somewhere?

  • I’m mainly interested in autonomous modes control architecture (Auto, RTL, Guided…)
  • I’ll keep updating my Simulink architectures here as long as I get relevant results

Yes there are simulink diagrams in the source code and control overview diagrams in the system identification ArduPilot documentation.

1 Like

Thank you for the help. These docs were the kind of thing I needed.

I edited the post above to add the missing links.

I still have some questions:

  • Do the FLTE and FLTD filters have any impact in a noiseless simulation?
  • I also couldn’t find where the “leash length limit”, commented in the position control section, is implemented in the source code. Since the diagrams don’t include detailed information about the position control, I couldn’t find any reference to the ‘leash length’ in them either.

They do add signal delay.

Search the source code for leash and “L1_”





I have (or hope to have) a simulation of the ArduPilot control architecture using a nonlinear quadcopter model. The idea is to simulate all the control loops of an autonomous flight mode (GUIDED, for example). I know the PID block is still missing the slew rate limiter. But other than that, have I left anything out? Have I added something to the control loop that doesn’t exist?

@amilcarlucas

*the name of the figures says what they are about
*the “P√” block is the sqrt_contrller

Add those changes as a github pull request to the existing code so that it can be properly reviewed

1 Like

ok, I’ll just translate the code comments to english

1 Like